Plaque de serrage sous vide à grille 12,5 x 12,5 mm
Caractéristiques :
- Surface supérieure avec rainures et points d’aspiration
- La taille souhaitée de la pièce peut être définie en insérant le cordon d’étanchéité
- Positionnement facile grâce aux trous pour goupilles d’arrêt ou aux butées excentriques latérales et réglables en hauteur
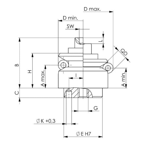
- Fixable sur la plaque de base (par ex. table machine) via rainures latérales ou trous de fixation (pour M8)
- Trous de fixation intégrables dans le système de serrage à point zéro AMF Zero-Point taille 20
- Peut être utilisé avec une buse Venturi intégrée ou une pompe à vide externe
- Prêt à l’emploi immédiatement
- Points d’aspiration reliés entre eux
- Filetage de fixation M4 pour fixer la plaque adaptatrice n° 7800APA
- Toutes les rainures sont repérées selon un système de coordonnées
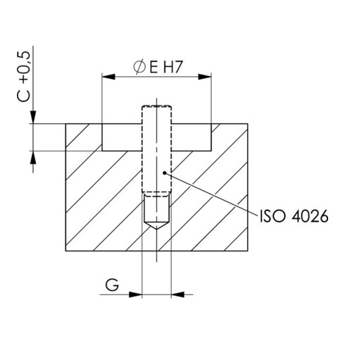
- Trous de positionnement D4 mm pour la fixation des pièces avec goupilles d’arrêt
- Économies grâce à l’utilisation de la buse Venturi – faible consommation d’air comprimé, donc faibles coûts d’exploitation. Exemple : 1 m³ d’air comprimé coûte 0,0078 €. Avec une consommation moyenne de 49 l/min, cela correspond à 0,023 €/h
- Plusieurs points d’aspiration pour une division flexible du champ et le serrage de plusieurs pièces
- Les plaques à vide peuvent être combinées entre elles
- Forte force de maintien
- Coefficient de frottement élevé permettant un serrage sûr des surfaces de pièces non usinées
- Les cordons d’étanchéité compensent les petites irrégularités de la surface de la pièce
- Pour travaux de fraisage et de meulage
Remarque :
- Utilisation uniquement avec de l’air comprimé sec et non huilé ! Volume d’aspiration maximal contre l’atmosphère : 48,8 l/min. Température du médium : 0°C–60°C Température ambiante : 10°C–50°C. Veuillez respecter la notice de montage 7800.
Contenu de la livraison :
- Plaque de serrage sous vide en aluminium, buse Venturi intégrée, silencieux, manomètre de vide, vanne d’arrêt, 2 m de tuyau pneumatique, filtre d’aspiration, butées excentriques, raccord rapide pour raccordement d’air comprimé et 10 m de cordon d’étanchéité Ø 4 mm noir ainsi que 10 m de cordon d’étanchéité Ø 4 mm gris.
EAN / GTIN : 4020772535469