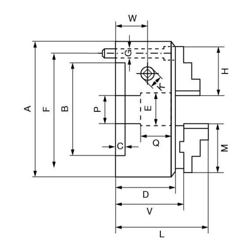
Brève description : Le DURO-M est un mandrin à trois mors manuel avec spirale plate et passage traversant. Il est principalement utilisé sur des tours conventionnels pour l’usinage par enlèvement de copeaux de pièces tournées. --- Caractéristiques techniques : Corps du mandrin (ainsi que toutes les autres pièces) en acier ; serrage centré par spirale plate ; spirale plate forgée en matrice et trempée, flancs de filetage rectifiés des deux côtés ; mors rectifiés pour un parfait concentricité dans le mandrin ; jeu nul déterminé en usine pour une précision optimale ; la vitesse maximale admissible est définie de manière à ce qu’à la force de serrage maximale et avec les mors les plus lourds correspondants, il reste encore un tiers de la force de serrage comme force résiduelle. Les mors ne doivent pas dépasser le diamètre extérieur du mandrin. Les mandrins doivent être en parfait état. Par ailleurs, les dispositions de la norme DIN 6386 partie 1 s’appliquent ; force de serrage selon DIN 6350 : la force de serrage correspond à la somme de toutes les forces exercées radialement par les mors sur la pièce immobile. Les forces de serrage indiquées sont des valeurs indicatives. Elles s’appliquent aux mandrins en parfait état, lubrifiés avec de la graisse Röhm F80 ; contenu de la livraison : mandrin, clé du mandrin, mors --- Domaines d’utilisation : tours conventionnels horizontaux et verticaux, ainsi que fraiseuses, tables tournantes et dispositifs de division. Principalement en production unitaire ou en petite série, ou en atelier de réparation ; serrage de pièces à symétrie de révolution pour l’usinage tournage et fraisage. --- Avantages : grande précision de concentricité jusqu’à 0,02 mm ; mors généralement brunis ; contour minimal d’encombrement ; haute transmission de force ; bord goutte-à-goutte pour liquide de refroidissement --- Informations complémentaires : Le Duro-M Ø400 est un mandrin à trois mors manuel avec spirale plate et passage traversant Ø136, mors de base et mors additionnels, montage cylindrique (DIN 6350, forme A), ZA 330. Il est principalement utilisé sur des tours conventionnels pour l’usinage par enlèvement de copeaux de pièces tournées.
EAN / GTIN : 4019208526867