Cliquez sur l'image du produit pour l'agrandir.
Délai de livraison : 10 semaines ou plus.
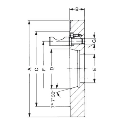
Brève description : --- Caractéristiques techniques : --- Domaines d'application : --- Avantages : --- Informations complémentaires : Bride à cône court, Ø extérieur 250, cône court 5, DIN 55029 et ASA B 5.9 D1 Camlock
EAN / GTIN : 4019208078939
Röhm GmbH
Heinrich-Röhm Str.50, 89567 Sontheim, DE
[email protected], 07325/160
418,99 €