RÖHM Mandrin à 3 mors DURO-M 315/3 K 8/702-2

2.499,00 €
TTC

Plus que 2 pièce(s) disponible(s)

Délai de livraison : 2-3 jours ouvrés.

Article affrété par transporteur spécialisé, livraison jusqu'au bord du trottoir


Fabricants et informations

Code art. : 68112989
Réf. fabricant : 185441
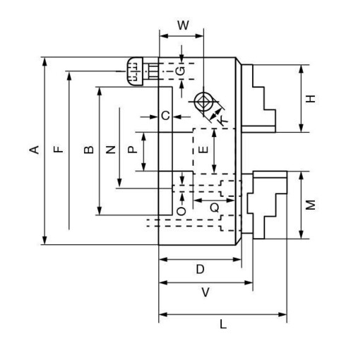
  • DIN 55029
  • Montage Camlock
  • Corps en acier et bague hélicoïdale forgés à la matrice
  • Face avant jusqu’à la taille 315 mm aplatie sur les bords pour réduire le poids et le moment d’inertie
  • Spirale plane forgée à la matrice et hautement trempée, flancs du filetage rectifiés des deux côtés
  • Mors généralement brunis

Caractéristiques techniques

Description du produit