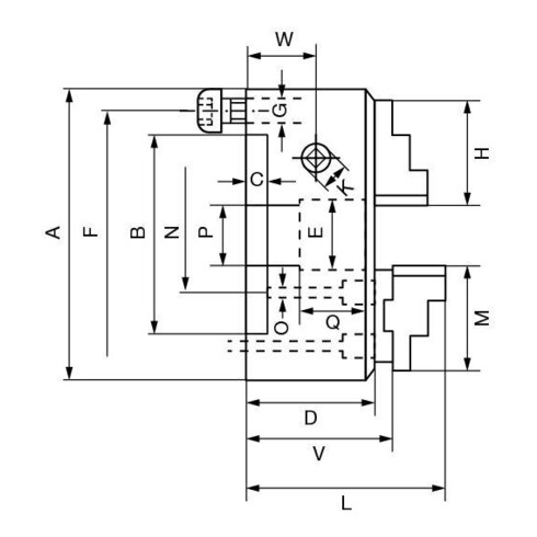
Description courte : Le DURO-M est un mandrin à trois mors manuel avec spirale plate et passage. Il est principalement utilisé sur des tours conventionnels pour l'usinage par enlèvement de copeaux de pièces tournées. --- Caractéristiques techniques : Corps du mandrin (ainsi que toutes les autres pièces) en acier ; serrage centré via spirale plate ; spirale plate forgée en matrice et trempée, flancs du filetage rectifiés des deux côtés ; mors rectifiés pour un fonctionnement concentrique dans le mandrin ; jeu nul déterminé en usine comme précision de fonctionnement ; la vitesse maximale admissible est définie de manière à ce qu'à la force de serrage maximale et en utilisant les mors les plus lourds correspondants, un tiers de la force de serrage reste disponible comme force résiduelle. Les mors ne doivent pas dépasser le diamètre extérieur du mandrin. Les mandrins doivent être en parfait état. Par ailleurs, les dispositions de la norme DIN 6386 partie 1 s'appliquent ; force de serrage selon DIN 6350 : la force de serrage est la somme de toutes les forces exercées radialement par les mors sur la pièce à l'arrêt. Les forces de serrage indiquées sont des valeurs indicatives. Elles s'appliquent aux mandrins en parfait état, lubrifiés avec la graisse Röhm F80 ; contenu de la livraison : mandrin, clé de mandrin, mors --- Domaines d’application : tours conventionnels horizontaux et verticaux ainsi que fraiseuses, tables rotatives et dispositifs de division. Principalement utilisés en production unitaire ou en petite série, ou en atelier de réparation ; serrage de pièces à symétrie de révolution pour usinage tournage et fraisage. --- Avantages : grande précision de concentricité jusqu’à 0,02 mm ; mors généralement brunis ; contour d’encombrement minimal ; haute transmission de force ; bavette d’égouttage pour liquide de refroidissement --- Informations supplémentaires : Le Duro-M Ø125 est un mandrin à trois mors manuel avec spirale plate et passage Ø32, mors de base et mors rapportés, fixation Camlock (ISO 702-2/DIN 55029), KK 3. Il est principalement utilisé sur des tours conventionnels pour l’usinage par enlèvement de copeaux de pièces tournées.
EAN / GTIN : 4019208525600