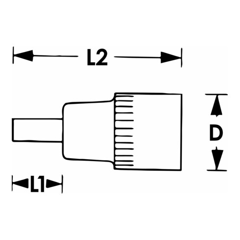
VIGOR Tournevis VIGOR 3/8 pouce TORX® embout 193 mm

à partir de 14,17 €
TTC

Entraînement de sortie

Délai de livraison : 4-7 jours ouvrés.


Fabricants et informations

Code art. : c65377077
Réf. fabricant :

Description du produit

Veuillez sélectionner une variante ci-dessus