24,97 €
TTCSTAHLWILLE Douille 12 pans 3/8 pouce longue 22 mm
Délai de livraison : 2-3 jours ouvrés.
Fabricants et informations
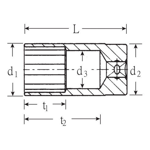
- Forgées en acier de haute qualité, chanfreinées intérieurement pour une prise rapide des têtes de boulons
- Carrés femelles suivant DIN 3120
- Structure optimale de la fibre grâce à un forgeage spécial
- Ouvertures de douilles à tolérances étroites avec profil AS-Drive ménageant têtes de boulons et écrous
- Trempées au bain d'huile pour éviter les contraintes, les déformations et pour un ajustage précis
- Finition polie/chants arrondis.
Norm
DIN 3124-LCaractéristiques :
Acier hautes performances HPQ, chromage sur nickel (résistant à l'écaillement).



